polski
Czas: 2026/04/27
Przeglądać: 91

The CH341 to wszechstronny układ konwertera magistrali USB zaprojektowany do łączenia komunikacji USB z wieloma typami interfejsów.Umożliwia bezproblemową wymianę danych pomiędzy hostem USB a różnymi standardami komunikacji peryferyjnej dzięki kompaktowej i wydajnej konstrukcji.Obsługując wewnętrznie konwersję protokołów, upraszcza integrację systemu i zmniejsza potrzebę stosowania dodatkowych komponentów interfejsu.
W trybie UART CH341 zapewnia niezawodną komunikację szeregową z wbudowanymi sygnałami sterującymi, wspierając stabilną transmisję danych pomiędzy urządzeniami.Obsługuje także równoległe tryby przesyłania danych, takie jak EPP i MEM, umożliwiając bezpośrednie operacje wejścia i wyjścia bez skomplikowanych wymagań dotyczących przetwarzania.
Dodatkowo CH341 obsługuje synchroniczną komunikację szeregową, w tym interfejsy 2-przewodowe i 4-przewodowe.Ta elastyczność pozwala mu dostosować się do różnych potrzeb komunikacyjnych, zachowując jednocześnie stałą wydajność i integralność sygnału.
Jeśli jesteś zainteresowany zakupem CH341, skontaktuj się z nami w sprawie ceny i dostępności.

|
Przypnij
Nie. |
Przypnij
Imię |
Wpisz |
Opis |
|
1 |
DZIAŁ |
Wyjście |
Aktywność
sygnał wskaźnika |
|
2 |
RST |
Wejście |
Zresetuj wejście |
|
3 |
IN7 |
Wejście |
Ogólnego przeznaczenia
wejście |
|
4 |
ROV |
Wyjście |
Odbiornik
wskaźnik przepełnienia |
|
5 |
TXD |
Wyjście |
Transmisja UART
dane |
|
6 |
RXD |
Wejście |
Odbiór UART
dane |
|
7 |
WEWN |
Wyjście |
Przerwanie wyjścia |
|
8 |
IN3 |
Wejście |
Ogólnego przeznaczenia
wejście |
|
9 |
V3 |
Moc |
Wyjście 3,3 V |
|
10 |
UD+ |
We/Wy |
Sygnał USB D+ |
|
11 |
UD- |
We/Wy |
Sygnał USB D- |
|
12 |
GND |
Moc |
Ziemia |
|
13 |
XI |
Wejście |
Kryształ
wejście oscylatora |
|
14 |
XO |
Wyjście |
Kryształ
wyjście oscylatora |
|
15 |
CTS |
Wejście |
Wyczyść, aby wysłać
(kontrola przepływu) |
|
16 |
DSR |
Wejście |
Zestaw danych gotowy |
|
17 |
RI |
Wejście |
Wskaźnik pierścieniowy |
|
18 |
DCD |
Wejście |
Nośnik danych
Wykryj |
|
19 |
WYJŚCIE |
Wyjście |
Ogólnego przeznaczenia
wyjście |
|
20 |
DTR |
Wyjście |
Terminal danych
Gotowy |
|
21 |
RTS |
Wyjście |
Prośba o wysłanie |
|
22 |
SLP |
Wejście |
Kontrola snu |
|
23 |
SDA |
We/Wy |
Linia danych I²C |
|
24 |
SCL |
Wyjście |
Linia zegara I²C |
|
25 |
RDY |
Wyjście |
Stan gotowy
sygnał |
|
26 |
TTERAZ |
Wyjście |
Stan transmisji
wskaźnik |
|
27 |
DZIESIĘĆ |
Wejście |
Włącz transmisję |
|
28 |
VCC |
Moc |
Główne zasilanie
napięcie |
• FT232RL
• CP2102
• CP2104
• PL2303
• CH340G
• CH340C
• CH9102F
• MCP2200
• FT231X
• SP3485
Schemat bloków funkcjonalnych pokazuje, jak CH341 działa jako pomost pomiędzy hostem USB a wieloma interfejsami komunikacyjnymi.Po lewej stronie komputer lub host USB łączy się z chipem za pośrednictwem linii D+ i D−, które przenoszą sygnały danych USB.To połączenie służy jako główne wejście, umożliwiające komunikację systemu hosta z CH341.

W centrum CH341 przetwarza i konwertuje przychodzące dane USB na różne formaty.Obsługuje wewnętrznie konwersję protokołów, więc host nie musi zarządzać każdym typem komunikacji osobno.Upraszcza to projektowanie systemu i zmniejsza potrzebę stosowania dodatkowych komponentów interfejsu.
Po prawej stronie chip udostępnia kilka opcji komunikacji.Należą do nich interfejsy UART, takie jak RS232, RS485 i RS422 do komunikacji szeregowej, a także obsługa drukarek równoległych i tryby EPP lub równoległe pamięci.Obsługuje także synchroniczną komunikację szeregową poprzez interfejsy 2-przewodowe i 4-przewodowe.Strzałki wskazują, że dane mogą przepływać pomiędzy hostem USB a tymi interfejsami, podkreślając elastyczność chipa w obsłudze wielu standardów komunikacyjnych.
|
Parametr |
Specyfikacja |
|
Model produktu |
CH341 |
|
Wpisz |
Magistrala USB
Układ konwertera |
|
Standard USB |
Pełne USB 2.0
Szybkość (12 Mb/s) |
|
Interfejs
Wsparcie |
UART, równoległy,
I²C (2-przewodowe), SPI (4-przewodowe) |
|
Obsługa UART-a |
RS232, RS485,
RS422 |
|
Transfer danych
Tryby |
EPP, MEM
Tryb równoległy |
|
Napięcie zasilania
(VCC) |
5 V |
|
Napięcie wewnętrzne
Wyjście |
3,3 V (styk V3) |
|
Oscylator |
Zewnętrzny kryształ
(zwykle 12 MHz) |
|
Sygnały USB |
D+, D− |
|
Działający
Temperatura |
-40°C do +85°C |
|
Typ opakowania |
SOP-28 |
|
Wbudowany
Funkcje |
bufor FIFO,
Obsługa sygnałów MODEMU |
|
Sygnały sterujące |
RTS, CTS, DTR,
DSR, RI, DCD |
|
Funkcje specjalne |
Podłącz i graj,
obsługa wielu interfejsów |
CH341 jest wyposażony w interfejs USB 2.0 o pełnej szybkości, umożliwiający niezawodną komunikację pomiędzy chipem a urządzeniem głównym.Wymaga tylko kilku elementów zewnętrznych, takich jak oscylator kwarcowy i kondensatory, dzięki czemu ogólna konstrukcja jest prosta i opłacalna.Chip obsługuje również źródła zasilania 5 V i 3,3 V, zapewniając elastyczność w przypadku różnych wymagań systemowych.
Urządzenie umożliwia opcjonalne dostosowywanie identyfikatora dostawcy, identyfikatora produktu i numeru seryjnego za pośrednictwem zewnętrznej pamięci EEPROM.Umożliwia to programistom zdefiniowanie unikalnych parametrów identyfikacyjnych, co jest przydatne do integracji systemów i rozpoznawania urządzeń w środowiskach USB.
W trybie UART CH341 umożliwia komunikację szeregową w trybie pełnego dupleksu z wbudowanymi buforami transmisji i odbioru.Obsługuje szeroki zakres szybkości transmisji od 50 bps do 2 Mbps i oferuje elastyczne formaty danych, w tym różne długości bitów danych i opcje parzystości.Dostarcza także sygnały sterujące MODEMEM dla lepszego zarządzania komunikacją.
Układ obsługuje standardowe interfejsy drukarek USB, umożliwiając bezpośrednią konwersję drukarek równoległych na USB.Jest kompatybilny z popularnymi systemami operacyjnymi i obsługuje zarówno jednokierunkowy, jak i dwukierunkowy transfer danych w oparciu o standardy IEEE-1284.
CH341 zapewnia dwa tryby interfejsu równoległego: EPP i MEM.Tryby te obsługują różne sygnały sterujące przesyłaniem danych, umożliwiając wydajną komunikację podobną do tradycyjnych interfejsów równoległych lub opartych na pamięci.
Wykorzystując technologię FlexWire, CH341 obsługuje synchroniczną komunikację szeregową, taką jak interfejsy 2-przewodowe i 4-przewodowe.Może działać jako urządzenie hosta lub urządzenie główne i obsługuje wiele prędkości transferu, dzięki czemu nadaje się do różnych wymagań komunikacyjnych.

Podstawowy obwód CH341 pokazuje, jak chip łączy się z hostem USB poprzez linie D+ i D−, jednocześnie otrzymując zasilanie z zasilacza USB.Odpowiednie oddzielenie mocy jest niezbędne, dlatego kondensatory umieszcza się blisko pinów VCC, aby ustabilizować napięcie i zredukować szumy.Oscylator kwarcowy 12 MHz z dopasowanymi kondensatorami zapewnia sygnał zegarowy wymagany do stabilnej pracy.
Aby zapewnić niezawodne działanie, projekt układu musi zapewniać krótkie i czyste ścieżki sygnału, szczególnie wokół pinów kryształu.Można dodać dodatkowe komponenty, takie jak kondensator resetujący i opcjonalną pamięć EEPROM, aby poprawić stabilność uruchamiania i zapewnić elastyczność konfiguracji.Ogólnie rzecz biorąc, ta konfiguracja stanowi podstawę wszystkich projektów opartych na CH341.

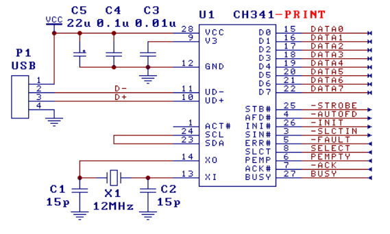
W tej konfiguracji CH341 działa jako interfejs drukarki USB poprzez połączenie określonych pinów sterujących.Konwertuje dane USB na standardowe sygnały drukarki równoległej zgodne ze specyfikacją IEEE-1284.Umożliwia to bezproblemową komunikację pomiędzy nowoczesnymi systemami USB a starszymi drukarkami równoległymi.
W tej konfiguracji ważne jest odpowiednie kondycjonowanie sygnału.Rezystory podciągające pomagają utrzymać stabilne poziomy logiczne, natomiast rezystory szeregowe redukują odbicia sygnału i poprawiają jakość transmisji.Zapewnia to spójny i niezawodny transfer danych pomiędzy urządzeniami.

Po skonfigurowaniu do asynchronicznej komunikacji szeregowej CH341 działa jako konwerter USB na TTL.W tym trybie chip bezpośrednio transmituje (TXD) i odbiera (RXD) sygnały, umożliwiając komunikację z urządzeniami szeregowymi lub systemami wbudowanymi.
Do podstawowej pracy wymagane są tylko podstawowe linie sygnałowe, natomiast w razie potrzeby można zastosować dodatkowe linie sterujące.Pin umożliwiający transmisję (TEN#) odgrywa kluczową rolę w kontrolowaniu przepływu danych, zapewniając stabilną i zsynchronizowaną komunikację.

Aby obsługiwać komunikację RS232, CH341 jest połączony z układem scalonym przesuwającym poziom, takim jak MAX232.Taka konfiguracja konwertuje sygnały poziomu TTL na poziomy napięcia RS232, dzięki czemu jest ono kompatybilne z tradycyjnymi standardami komunikacji szeregowej.
Obwód zawiera kondensatory wymagane przez przesuwnik poziomu do generowania odpowiednich poziomów napięcia.Taka konfiguracja zapewnia prosty i niezawodny sposób łączenia systemów USB ze sprzętem opartym na RS232.

Do komunikacji przemysłowej CH341 można podłączyć do transceivera RS485.W tym trybie chip umożliwia półdupleksową transmisję danych na duże odległości.Sygnał sterujący transmisją zarządza kierunkiem komunikacji na magistrali.
Ta konfiguracja jest szeroko stosowana w systemach wymagających stabilnej komunikacji w środowiskach z zakłóceniami elektrycznymi.Właściwe uziemienie i kontrola sygnału zapewniają dokładną transmisję danych.

CH341 może bezpośrednio łączyć się z mikrokontrolerem, aby umożliwić komunikację USB.W tej konfiguracji MCU wymienia dane z CH341 poprzez linie szeregowe, umożliwiając komunikację pomiędzy MCU a komputerem.
Sterowanie przepływem odbywa się za pomocą pinów sterujących, które pomagają zarządzać przesyłaniem danych w oparciu o stan przetwarzania MCU.Dzięki temu dane są przesyłane tylko wtedy, gdy system jest gotowy, co zapobiega utracie danych.

W bardziej zaawansowanych konfiguracjach można podłączyć dwa układy CH341 w celu utrzymania zsynchronizowanej komunikacji szeregowej.Sygnały sterujące służą do koordynowania przesyłania danych między obiema stronami, zapewniając wysyłanie i odbieranie danych bez błędów.
Ta metoda jest przydatna, gdy prędkość komunikacji różni się między urządzeniami.Wykorzystując sprzętowe sygnały sterujące, system utrzymuje stabilny przepływ danych i pozwala uniknąć niedopasowania lub utraty danych.
• Adaptery USB-szeregowy do laptopów i komputerów stacjonarnych
• Narzędzia do programowania/debugowania Arduino i mikrokontrolerów
• Konwertery USB na RS485 do urządzeń przemysłowych
• Interfejsy komunikacyjne PLC w fabrykach
• Terminale POS i drukarki paragonów (USB-szeregowe/równoległe)
• Kable USB do drukarki równoległej do starszych drukarek
• Wbudowane narzędzia do flashowania oprogramowania układowego
• Maszyny CNC i moduły komunikacyjne do drukarek 3D
• Interfejsy debugowania routera, modemu i dekodera
• czujniki przemysłowe i systemy rejestracji danych
• Komunikacja z inteligentnym licznikiem i monitorowaniem energii
• Bramy automatyki domowej (USB do urządzeń szeregowych)
• Samochodowe narzędzia diagnostyczne (interfejsy szeregowe OBD)
• Programatory USB EEPROM i narzędzia chipowe
• Interfejsy komunikacyjne sterownika robotyki

CH341 oferuje ekonomiczne i elastyczne rozwiązanie do konwersji USB na wiele interfejsów komunikacyjnych.Integruje kilka funkcji w jednym chipie, zmniejszając potrzebę stosowania dodatkowych komponentów i upraszczając projektowanie obwodów.Urządzenie obsługuje różne protokoły komunikacyjne, takie jak UART, równoległy i synchroniczny szeregowy, dzięki czemu nadaje się do różnych wymagań systemowych.Zapewnia także stabilną transmisję danych z wbudowanym buforowaniem i obsługuje szeroki zakres szybkości transmisji.Dzięki prostym wymaganiom sprzętowym i łatwej integracji USB pomaga przyspieszyć rozwój i zmniejsza ogólną złożoność projektu.
Pomimo swojej wszechstronności CH341 ma pewne ograniczenia, które należy wziąć pod uwagę podczas projektowania.Działa tylko z pełną prędkością USB, co może nie być odpowiednie do zastosowań wymagających dużej szybkości transmisji danych.Układ opiera się na komponentach zewnętrznych, takich jak oscylator kwarcowy i przesuwniki poziomu dla niektórych interfejsów, co zwiększa wysiłek projektowy.Zgodność i konfiguracja sterowników mogą również wymagać uwagi w zależności od systemu operacyjnego.Ponadto jego wydajność i zestaw funkcji są bardziej podstawowe w porównaniu z wyższej klasy układami interfejsu USB, co czyni go mniej idealnym dla zaawansowanych lub wydajnych systemów komunikacyjnych.
CH341 to ekonomiczne rozwiązanie interfejsu USB, które upraszcza komunikację między hostem USB a wieloma standardami urządzeń peryferyjnych.Jego zdolność do obsługi różnych trybów komunikacji w połączeniu z prostą implementacją obwodów i elastyczną konfiguracją sprawia, że nadaje się do szerokiej gamy projektów systemów.Od podstawowych połączeń USB po bardziej zaawansowane konfiguracje komunikacji szeregowej i równoległej, chip zapewnia niezawodną wydajność przy jednoczesnym niskim stopniu złożoności projektu.Chociaż ma pewne ograniczenia w szybkości i zaawansowanych funkcjach, pozostaje praktycznym wyborem w wielu zastosowaniach, które wymagają stabilnej i wydajnej konwersji USB na interfejs.
CH341 obsługuje więcej interfejsów, takich jak równoległy, SPI i I²C, podczas gdy CH340 koncentruje się głównie na konwersji USB na UART.
Tak, większość systemów wymaga sterownika, ale wiele systemów operacyjnych ma już wbudowaną obsługę lub automatyczną instalację sterowników.
Obsługuje szeroki zakres prędkości od zaledwie 50 bps do około 2 Mbps, w zależności od konfiguracji.
Tak, obsługuje napięcie wejściowe 5 V i zapewnia napięcie wyjściowe 3,3 V, dzięki czemu jest kompatybilny z obydwoma poziomami napięcia.
Kryształ zapewnia stabilny sygnał zegarowy wymagany do dokładnej komunikacji USB i kontroli taktowania.
Tak, działa bez pamięci EEPROM, ale pamięć EEPROM umożliwia dostosowanie identyfikatorów USB i ustawień urządzenia.
Typowe objawy to brak wykrywania USB, niestabilna komunikacja lub brak transmisji/odbioru danych.
Nie, obsługuje tylko USB o pełnej szybkości (12 Mb/s), więc nie jest idealny do zastosowań wymagających dużej prędkości.
Może zarządzać wieloma interfejsami, ale każdy układ zazwyczaj obsługuje jeden kanał komunikacyjny na raz.
Pomagają zarządzać przepływem danych i stanem komunikacji, poprawiając niezawodność połączeń szeregowych.
CAP CER 0.22UF 50V X7R 1206
CAP CER 510PF 50V C0G/NP0 0805
CAP CER 82PF 250V C0G/NPO 0805
MOSFET P-CH 30V 50A D2PAK
IC TRANSCEIVER FULL 2/2 20SSOP
IC OPAMP ZERO-DRIFT 2 CIRC 8SOIC
IC OPAMP GP 2 CIRCUIT 8VSSOP
RES 470 OHM 1% 1/8W 0805
IGBT Modules
QM3004M3 UBIQ
RENESAS SOP5.2
NXP QFP
TI QFP

